光电跟踪转台-边海防-森林防火电动云台-重载-雷达天线-机器人-高速-T型-巡检云台-山东飞越电子科技有限公司
 
 
小云台 轻载云台 中载云台 重型云台
FY-SP1510
来源:未知 时间:2024-05-07 10:19
 
FY-SP1510
一、产品特点:
 
 最大承载10Kg;
 多种镜头预置位自适应功能;
 重复定位精度高,可达±0.1°;
 外壳采用高强度铝合金压铸材料;
 水平0~360°连续旋转;
 防护等级最高可达IP67;
 双外壳维护方便;

二、详细性能参数:
 
型号 FY-SP1510
旋转速度 水平0.01°~30°/S;俯仰0.01°~15°/S;
俯仰角度 +60°~-60°
水平角度 水平0~360°连续旋转;
预置位 200个
预置位精度 可达±0.1°
位置、焦距等回传 可选
辅助开关 2组,无源、常开
镜头预置位 支持,可自适应多种镜头、SONY机芯等
自动巡航 8条,每条可设置10个巡航点
自动归位 可设置1~60分钟自动归位时间
自动扫描 1条
通讯协议 Pelco-D、Pelco-P可选
通信波特率 2400/4800/9600/19200 bps可选
通信接口 RS485支持角度查询回传(可选RS422,实时回传)
输入电源范围 AC24V±20%,50/60Hz;DC28V±20%;
整机功耗 ≤30W
工作温度 -25℃~+65℃,90%±3%,非凝结(可选-40℃~+65℃)
储存温度 -40℃~+70℃
最大负载 10Kg(重心距离顶板高度约2.5cm)
承载方式 顶载(侧载可选)
传动方式 蜗轮蜗杆
防护等级 IP66(最高可达IP67)
整机重量 ≤6Kg
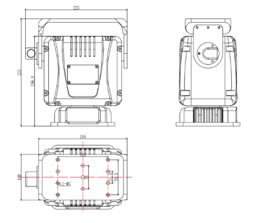
外形尺寸 223mm×140mm×235mm(L×W×H)

 
分享到:
上一篇:没有了
下一篇:FY-SP15TJ

联系我们

电话:0531-89706174


手机:13573100958 服务时间 9:00-20:00
微信二维码
山东飞越电子科技有限公司 版权所有      技术支持:万维网商学院